名称

产品图片

产品详细资料

轻型气缸

QGX微型气缸

QM小型气缸

QM-K小型带磁性开关气缸

LG系列轻型气缸

LCZ型双作用气缸

LCZM型双作用无油润滑气缸

LCD长缓冲气缸

LCDM长缓冲无油润滑气缸

LZE磁性开关气缸

LZEM磁性开关无油润滑气缸

LCZ-F、LCZM-F、LCD-F、LCDM-F带阀气缸

LZE-F、LZEM-F组合气缸

LM系列米型气缸

DQG、DQGL薄型气缸

DQGI系列薄型气缸

LG系列大规格轻型气缸

气 缸
重型气缸

QGAⅡ QGBⅡ系列气缸

QGBⅡ-H双活塞气缸

QGBⅡ-R耐热气缸

QGBⅡ-J QGBⅡ-C气缸

QGBⅡ-L双活塞杆气缸

QGBⅡ-K磁性开关气缸

QGBⅡ-F带阀气缸

QGBⅡ-KF组合气缸

QGBⅡ-Z QGBⅡ-ZK制动气缸

JB系列气缸

QGA系列气缸(无缓冲装置)

QGB系列气缸

SDA系列薄型气缸

CQ2系列薄型气缸

CQS系列薄型气缸

MAL系列铝合金迷你气缸

MA系列不锈钢迷你气缸

CM2系列不锈钢迷你气缸

CJ2系列不锈钢迷你气缸

CJ1系列微型气缸

C85系列欧洲标准气缸

CJP系列针型气缸(单动)

CJP系列针型气缸(双动)

MD系列多位置气缸

TN系列双轴气缸

CXS系列双联气缸

MK2系列回转夹紧气缸

CRA1系列齿轮齿条式摆动气缸

CY1系列磁偶式无杆气缸

CY3B/CY3R系列磁偶式无杆气缸

MGP系列新薄型带导杆气缸

气液增压缸使用说明

MPT系列气液增压缸

MPTF/MPTS系列气液增压缸

PID系列气液增压缸

SRC系列旋转气缸

MHZ2系列气动手指

MH系列

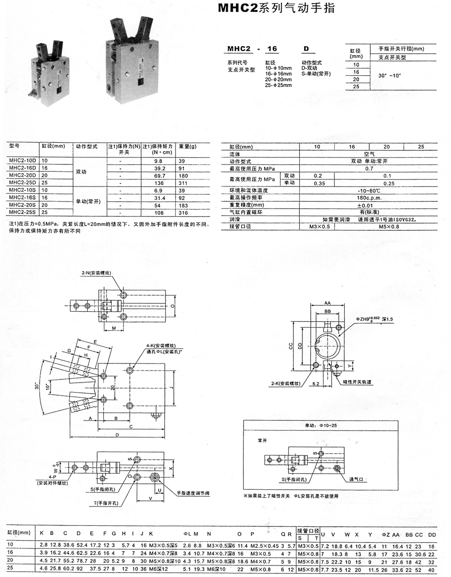
MHC2系列气动手指

SQGZN气液阻尼缸

SCK1型夹紧气缸

SCG1系列轻型气缸

SZH系列气液转换器

CS1系列磁性开关

D系列磁性开关

FJ10系列浮动接头

FDSCM系列浮动接头

FJ11系列鱼眼接头

MAL/MA/CM2B/C85系列气缸附件

SC/SU系列气缸附件

气缸附件

下一页

 
 

公司地址:烟台市芝罘区幸福南路11号(国际五金城)A8-12 邮编:264000 传真:0535-6822744